
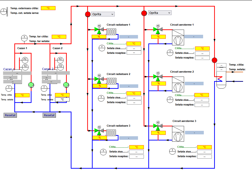
Sistemul BMS realizeaza urmatoarele functii:
- Monitorizare si control sistem de producere agent termic (cazane)
- Monitorizare si control sistem de distributie agent termic
- Monitorizare si control sistem de distributie ACM
- Monitorizare si control aeroterme
- Monitorizare si control corpuri statice de incalzire (radiatoare)
- Monitorizare si control unitati interioare de climatizare
- Monitorizare temperatură interioare
- Monitorizare si control unitati interioare de incalzire
- Sistem SCADA